|
Συσκευές από ανοξείδωτο χάλυβα
|

|
Χαρακτηριστικά
|
|
Προδιαγραφές
|
|
Σχήμα
|
SSL
|
|
Υγρά
|
Αέρας, νερό, ατμός, κενό
|
|
Μέγεθος λιμένα
|
4mm, 6mm, 8mm, 10mm, 12mm, 14mm, 16mm
|
|
Μέγεθος αρσενικού νήματος
|
Εναλλακτικά, τα στοιχεία που χρησιμοποιούνται για τον προσδιορισμό των τιμών είναι τα ακόλουθα:
|
|
Πίεση λειτουργίας
|
0 έως 1,5 Mpa
|
|
Μέγιστη πίεση
|
10,8 MPa
|
|
Θερμοκρασία λειτουργίας
|
-20 έως 140 °C
|
|
Πιστοποίηση
|
ISO9001:2015, CE
|
|
Εφαρμόσιμο σωλήνα
|
Πολυουρεθάνιο και νάιλον
|
|
Πακέτο μεταφοράς
|
Εσωτερικό κουτί, εξωτερικό κουτί, παλέτα
|
|
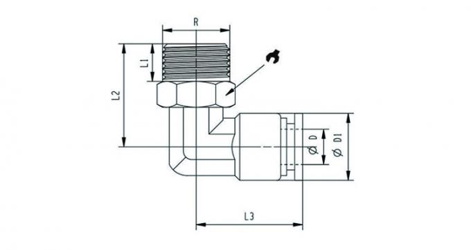
Μέγεθος (mm)
|

|
Σχήμα
|
ØΔ
|
R
|
Α1
|
L2
|
Α3
|
ØD1
|
Μέγεθος κλειδιού
|
|
SSL04-M5
|
4
|
Επενδύσεις
|
4
|
23
|
18
|
10
|
10
|
|
SSL04-01
|
4
|
R1/8"
|
7.5
|
23
|
18
|
10
|
12
|
|
SSL04-02
|
4
|
R1/4"
|
9.5
|
25.5
|
18
|
10
|
14
|
|
SSL06-M5
|
6
|
Επενδύσεις
|
4
|
23
|
21
|
12
|
12
|
|
SSL06-01
|
6
|
R1/8"
|
7.5
|
22.5
|
21
|
12
|
12
|
|
SSL06-02
|
6
|
R1/4"
|
9.5
|
25.5
|
21
|
12
|
14
|
|
SSL06-03
|
6
|
R3/8"
|
10.5
|
25.5
|
21
|
12
|
17
|
|
SSL08-01
|
8
|
R1/8"
|
7.5
|
23
|
23
|
14
|
12
|
|
SSL08-02
|
8
|
R1/4"
|
9.5
|
25
|
23
|
14
|
14
|
|
SSL08-03
|
8
|
R3/8"
|
10.5
|
25
|
23
|
14
|
17
|
|
SSL08-04
|
8
|
R1/2"
|
13.5
|
32
|
23
|
14
|
21
|
|
SSL10-01
|
10
|
R1/8"
|
7.5
|
27.5
|
27.5
|
17
|
14
|
|
SSL10-02
|
10
|
R1/4"
|
9.5
|
27
|
27.5
|
17
|
14
|
|
SSL10-03
|
10
|
R3/8"
|
10.5
|
27
|
27.5
|
17
|
17
|
|
SSL10-04
|
10
|
R1/2"
|
13.5
|
34
|
27.5
|
17
|
21
|
|
SSL12-02
|
12
|
R1/4"
|
9.5
|
29
|
32
|
20
|
14
|
|
SSL12-03
|
12
|
R3/8"
|
10.5
|
29
|
32
|
20
|
17
|
|
SSL12-04
|
12
|
R1/2"
|
13.5
|
36.5
|
32
|
20
|
21
|
Υπεύθυνος Επικοινωνίας: Ms.
Τηλ.:: 13524668060